扫二维码查看手机官网
产品主要特点
1、工作安全性
所有控制输入信号与内部电路经过光电耦合器隔离,同时采用智能控制技术、在涌流和安全可靠性方面与同类产品相比具备性能和技术优势,抗干扰能力。
2、过零点投切
本产品利用智能芯片,电子电路和磁保持继电器的组合,实现电压过零导通,电流过零分断,使开关在通断的瞬间无涌流的产生,无过电压现象,应用于分列式低压自动无功补偿。
3、保护功能
采用微处理芯片,实施对开关继电器、电源和负载运行情况进行监测,具备停电保护、相保护、空载保护等功能。
4、安装方便
本产品FK系列复合开关,只控制三相火线,零线无需接入复合开关,对分补复合开关(FKF)零线直接接在电容器的N线端孔。
产品型号
产品分类:
共补型:电容器连接方式为∆型
分补型:电容器连接方式为Y型
CLO-FK
产品主要技术指标
1、环境温度:-25℃~+35℃
2、相对温度:40℃时,20%-90%
3、额定电压:三相四线 50HZ,380V
4、颜定电流:≤63A
5、响应时间:<200MS
6、间隔时间:≥20S
7、控制信号:RS485
8、投切涌流:≤1.5 倍
产品按键说明
“菜单”:短按菜单键可切换 AUTO/TEST 模式,长按菜单键进入设置/退出。
"▲”:上翻,用于设置参数 +
"▼”:下翻,用于设置参数 -
注意:安装通电,需长按“菜单"进入设置页面,设置多台复合开关的地址为(1-01)、(1-02)、(1-03)--(1-32),不可重复。2-20 设置对应的电容器容量(5-40Kvar)
例:2-30 为 30kvar 的电容器(不区分共分补)。
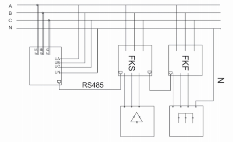
产品接线及指示灯示意图

▲图为CLO-DKF与CLO-FKS/F采样及通讯接线示意图①

▲图为CLO-DKF与CLO-FKSF采样及通讯接线示意图②
安装以及线缆说明
1、复合开关进线端应选用合适的多芯铜导线,总容量小于30Kvar,可选用 10mm2,导线30Kvar 以上的电容器,应选用16平方以上的多芯铜导线。
2、外形尺寸

Copyright © 2022-2025 江苏西力欧智能电气科技有限公司 All rights reserved. 版权所有
中华人民共和国非经营性ICP编号:苏ICP备2022025145号-1
苏公网安备32062102000648